首 页
医院概况
医院概况
· 医院简介
· 医院文化
· 领导团队
· 组织架构
· 医院荣誉
· 医院位置
· 楼层分布
· 医疗设备
门诊时间
预约挂号
到院线路
就诊指南
患者服务
患者服务
· 门诊时间
· 预约挂号
· 就诊指南
· 医保指南
· 报告查询
· 到院线路
· 投诉建议
· 在线咨询
门诊时间
预约挂号
到院线路
就诊指南
科室设置
科室设置
特色科室 :
泌尿外科
血液透析
男科
手术科室 :
泌尿外科
男科
普外科
妇科
手麻科
肛肠科
非手术科室 :
中西医结合科
血液透析
内科
肾内科
皮肤科
急诊科
中医科
VIP病区
老年病区
医技科室 :
药剂科
检验科
功能科
放射科
综合治疗室
健康管理科
医师介绍
医师介绍
省卫健委主管 华西对口帮扶医院
四川大学华西医院学科联盟医院
门诊时间
预约挂号
到院线路
就诊指南
新闻中心
新闻中心
· 重大新闻
· 院内新闻
· 媒体报道
· 机器人中心
· 医患故事
· 学术看板
· 川泌电子书
· 人事招聘
门诊时间
预约挂号
到院线路
就诊指南
党建文化
健康科普
培训基地
培训基地
主办单位:
四川省医学会
承办单位:
四川省医学会泌尿外科专业委员会
四川泌尿外科医院
报名通道
门诊时间
预约挂号
到院线路
就诊指南
医联体
视频中心
视频中心
· 科普视频
· 专题视频
· 媒体聚焦
· 抖音视频
· 川泌聊健康
门诊时间
预约挂号
到院线路
就诊指南
公示公告
加入我们
公示公告
首页
>
公示公告
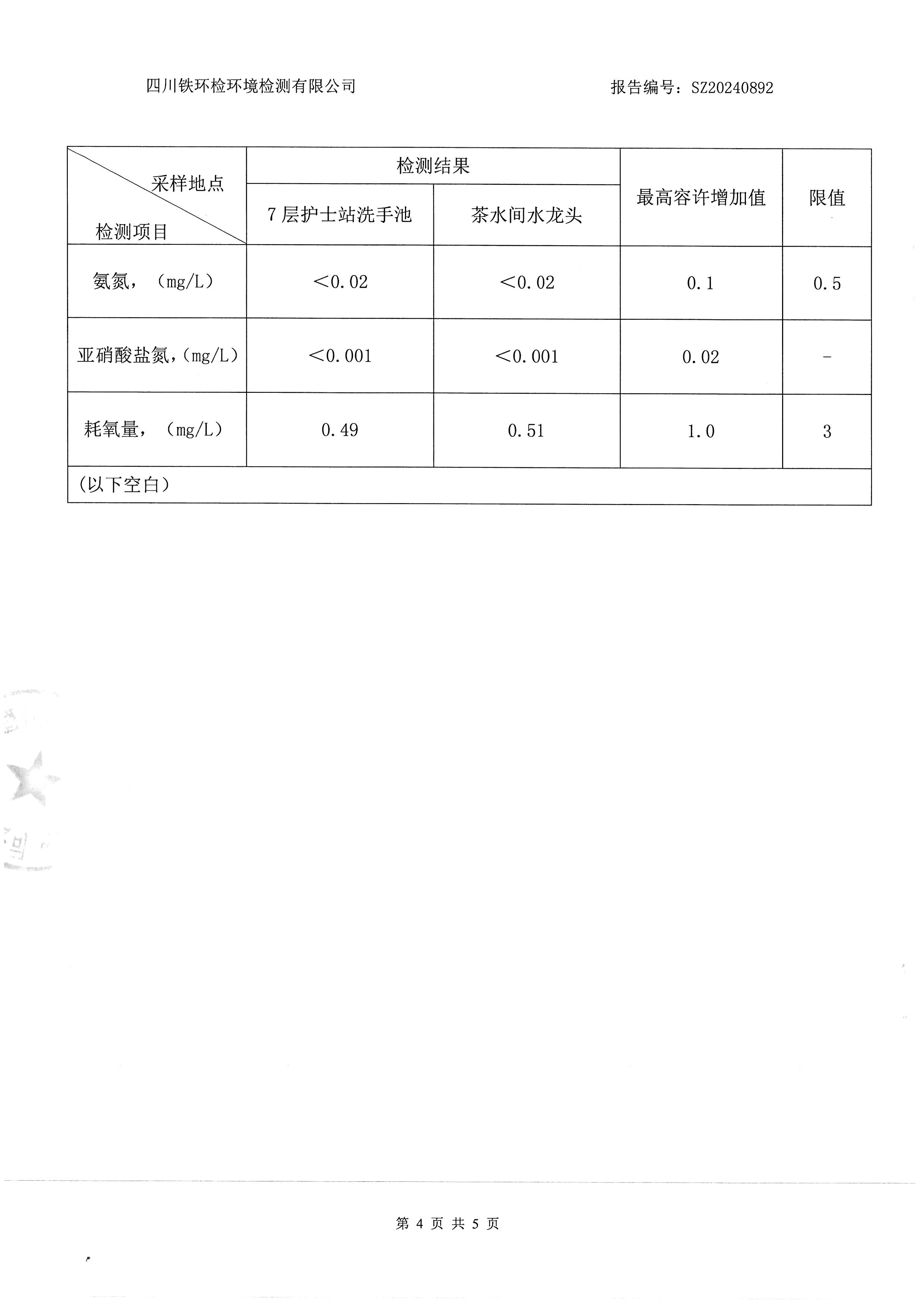
> 2024年12月9日二次供水检验检测报告
2024年12月9日二次供水检验检测报告
24
2025-01
16:21
分享到:
作者:四川泌尿外科医院【官方】 来源:admin
上一篇:
【正常接诊】四川泌尿外科医院“五一”假期门诊通知
下一篇:
2024年9月13日二次供水检验检测报告
图片新闻
项目价格公示
药品价格公示
二次供水公示
【正常接诊】四川泌尿外科医院“五一”假期门诊通知
2024年12月9日二次供水检验检测报告
最新新闻
2025-09-01
项目价格公示
2025-08-22
二次供水公示
2025-07-10
药品价格公示
2025-04-30
【正常接诊】四川泌尿外科医院“五一”假期门诊通知
2025-01-24
2024年12月9日二次供水检验检测报告